安防报警器 智能守护,安全无忧的必备防线
感应门把手与报警器 构筑现代安防新防线
手持式天然气浓度报警器 安全守护,防患于未“燃”
液化气气体报警器 守护居家安全的忠诚卫士
深入解析 泰和安TX3042C与海湾QKP01气体灭火控制系统的构成与应用
全民国防教育日 听,警报器的三种声音
MD-214R无线门磁 参数、厂商与安防应用详解
家用安防优选 双音磁控门窗报警器详解
深圳区域合格的烟雾报警器选购指南 价格、厂家与标准解析
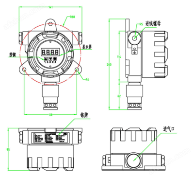
河南英特电气 专业制造KQ500-EX点型可燃气体探测器,筑牢燃气安全防线
地震预警新伙伴 G011地震报警器的功能与应用
豪沃尔HSG1020火灾声光警报器 守护安全,声光警示
全面升级商铺安防 智能防盗报警系统选购与配套指南
警报器标识图片素材 安全意识的视觉传达
新成路街道为355户独居老人家庭安装烟感报警器,筑牢居家安全“防火墙”
独立式光电感烟火灾探测报警器 价格、图片、品牌与选购指南
LED声光报警器QG-5 工业消防安全的强力守护者
山东可燃气体探测器与报警器 保障安全的智能卫士
供应河南省指定格灵品牌燃气报警器 安全守护的可靠选择
煤气泄漏检测报警器价格解析与KQ500D-CO智能型一氧化碳探测器厂家介绍
如若转载,请注明出处:http://www.001af.com/product/list-2.html